首页
关于我们
产品与服务
滤波器
滤波组件
功分器
耦合器
合路器
双工器
资讯中心
公司新闻
行业资讯
技术服务
联系我们
导航
首页
关于我们
产品与服务
滤波器
滤波组件
功分器
耦合器
合路器
双工器
资讯中心
公司新闻
行业资讯
技术服务
联系我们
产品与服务-滤波组件
LS频段滤波组件
发布:圣享电子 发布日期: 2017-06-03
技术参数
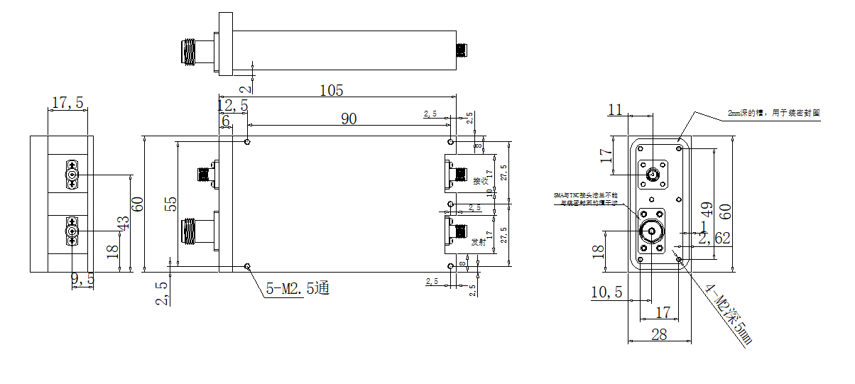
外形尺寸
滤波器订购须知
1、请用户参阅本手册,订购务必提出以下基本参数:
a、通带的频率范围
b、阻带的频率范围
c、插入损耗
d、阻带抑制度
e、驻波比
f、带内波动
g、接口形式
2、其它参数:
时延、相位、功率容量、体积、重量及振动、冲击、高低温及湿热等试验,不提及默认为不要求。
分享到:
上一篇:
无
下一篇:
侧入式波导同轴转换器
返回列表
首页
|
关于我们
|
产品与服务
|
资讯中心
|
联系我们
18981889005
513967028@qq.com
成都圣享电子有限公司
版权所有:
成都圣享电子有限公司
分享到: